W pierwszej części poznaliście budowę alternatora, w części drugiej zajmiemy się zasadą działania. Alternator przetwarza energię mechaniczną odbieraną z wału korbowego silnika, na energię elektryczną.
Jak już pisałem wcześniej, jest prądnicą prądu przemiennego, ale na jego wyjściu otrzymujemy prąd stały (wyprostowany), bo takiego wymaga instalacja elektryczna pojazdu. Zapewnia to odpowiednio skonstruowany układ prostowniczy, który jest najczęściej integralną częścią alternatora.
Zasada działania alternatora opiera się na zjawisku indukcji elektromagnetycznej. Magneśnica (wirnik) wiruje wewnątrz pierścieniowego twornika (stojana). Uzwojenie wirnika zasilane jest przez regulator napięcia. Doprowadzenie napięcia do obracającego się wirnika możliwe jest przez zastosowanie dwóch szczotek węglowych (+ i -) współpracujących z pierścieniami ślizgowymi, do których podłączone są oba końce uzwojenia wirnika. Płynący prąd powoduje wytwarzanie wokół wirnika pola elektromagnetycznego, które wiruje wraz z nim. Pole to oddziałując na uzwojenia twornika indukuje w nich siłę elektromotoryczną (napięcie źródłowe).
W celu zrozumienia zasady działania alternatora warto zobaczyć animację:
Niestety nie jest to typowy alternator samochodowy, ale pewne różnice w jego budowie są na tym etapie nieistotne.
Przebieg napięcia w czasie zmienia się następująco:

Kolorami oznaczono przebiegi napięcia w poszczególnych uzwojeniach twornika. Jego zmiany są cykliczne (powtarzają się co 360º) i przesunięte względem siebie o 120º. W ten sposób powstaje napięcie przemienne trójfazowe, które musi być przekształcone w stałe.
W tym celu uzwojenia połączone są z układem prostowniczym. W alternatorach stosuje się trójfazowe prostowniki dwupołówkowe, które wykorzystują specyficzne właściwości diod półprzewodnikowych – przewodzenie prądu tylko w jednym kierunku.
Zasadę działania układu prostowniczego alternatora wyjaśnimy na układzie jednofazowym, którego działanie nie odbiega znacząco od tego występującego w alternatorze.
Najprostszy układ prostowniczy można stworzyć włączając w obwód półprzewodnikową diodę prostowniczą, niestety skuteczność takiego rozwiązania będzie niezadowalająca, gdyż przez pół okresu układ nie będzie wytwarzał napięcia, bo dioda zablokuje przepływ prądu w przeciwnym kierunku: 
Znacznie lepszy pod tym względem jest układ mostkowy (tzw. mostek Gretza).

Układ ten składa się z czterech diod prostowniczych – dwóch dodatnich D1 i D2 (połączonych z biegunem dodatnim) oraz dwóch ujemnych D3 i D4 (połączonych z biegunem ujemnym). Diody dodatnie umożliwiają przepływ prądu do bieguna dodatniego, blokując jednocześnie przepływ prądu w drugą stronę. Diody ujemne zapewniają przepływ prądu z bieguna ujemnego i tym samym zamknięcie obwodu elektrycznego. Diody ujemne podobnie jak dodatnie przewodzą tylko w jednym kierunku. Gdy przez diodę płynie prąd mówimy o polaryzacji w kierunku przewodzenia, a gdy prąd nie płynie o polaryzacji w kierunku zaporowym.
Zmiana kierunku napięcia generowanego przez prądnicę (na „-„) powoduje zmianę polaryzacji diod – zamiast D1 i D4, przewodzą D2 i D3. Gdy napięcie zmienia znak na „+” wówczas ponownie „włączają się” diody D1 i D2. Dzięki temu na wyjściu otrzymujemy napięcie jednokierunkowe. Niestety jest to napięcie o dużej pulsacji, gdyż jego wartość zmienia się okresowo od wartości zerowej do maksymalnej.
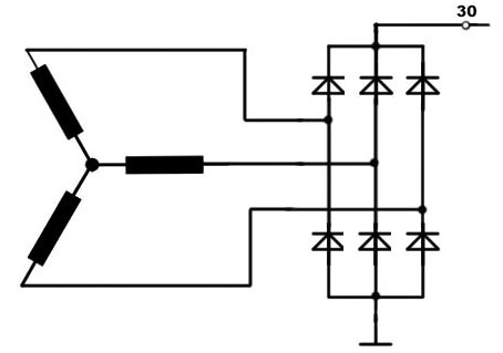
W przypadku alternatora każde uzwojenie twornika alternatora ma swoją parę diod prostowniczych:

Ponieważ napięcia w poszczególnych uzwojeniach (fazach) „nakładają się” otrzymujemy napięcie o niewielkiej pulsacji (0,5V):

Wartość napięcia generowanego przez alternator zwiększa się wraz ze wzrostem prędkości obrotowej silnika, dlatego w celu ochrony odbiorników elektrycznych przed uszkodzeniem konieczne jest stosowanie regulatorów napięcia.
W przypadku przekroczenia dopuszczalnej wartości napięcia regulatory ograniczają lub uniemożliwiają zasilanie uzwojenia wirnika. Tym samym osłabiają pole magnetyczne od którego zależy wartość napięcia alternatora.
Więcej na temat regulatorów w następnym temacie.
